Chain Sprocket 120 Type B ANSI is widly used in machinery industries which is a regular transmission part. Simplex, duplex, triplex and multiplex sprockets are available. For material, clients could choose S45C S20C(hardened teeth) or SS304.
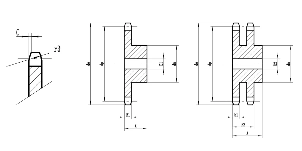
Drawing of Chain Sprocket 120 Type B ANSI

Dimensions of Chain Sprocket 120 Type B ANSI
| Sprocket | Chain | ||||||
| Tooth radius | Radius width | Tooth width | Tooth width | Tooth width | Pitch | Internal width | Roller Φ |
| r3 | C | B1 | b1 | B2 | mm | mm | mm |
| mm | mm | mm | mm | mm | |||
| 40.5 | 4.8 | 23.5 | 22.9 | 68.3 | 38.1 | 25.4 | 22.23 |
| z | de | dp | SIMPLEX | DUPLEX | ||||||
| dm | D1 | A | Kg | dm | D2 | A | Kg | |||
| 8 | 113.0 | 99.55 | 58 | 20 | 45 | 58 | 25 | 95 | ||
| 9 | 125.0 | 111.40 | 70 | 20 | 45 | 70 | 25 | 95 | ||
| 10 | 137.0 | 123.29 | 80 | 20 | 45 | 2.67 | 80 | 25 | 95 | |
| 11 | 149.0 | 135.21 | 90 | 25 | 50 | 3.45 | 90 | 25 | 100 | |
| 12 | 161.0 | 147.22 | 102 | 25 | 50 | 4.26 | 102 | 25 | 100 | |
| 13 | 173.0 | 159.18 | 114 | 25 | 50 | 5.22 | 114 | 25 | 100 | |
| 14 | 185.0 | 171.22 | 128 | 25 | 50 | 6.29 | 128 | 25 | 100 | |
| 15 | 197.0 | 183.26 | 132 | 25 | 50 | 7.05 | 132 | 25 | 100 | |
| 16 | 209.0 | 195.30 | 136 | 25 | 55 | 8.41 | 136 | 30 | 100 | |
| 17 | 221.0 | 207.34 | 140 | 25 | 55 | 9.26 | 136 | 30 | 100 | |
| 18 | 233.0 | 219.42 | 140 | 25 | 55 | 9.95 | 150 | 30 | 100 | |
| 19 | 245.5 | 231.49 | 140 | 25 | 55 | 10.73 | 160 | 30 | 100 | |
| 20 | 257.5 | 243.57 | 140 | 25 | 55 | 11.56 | 160 | 30 | 100 | |
| 21 | 270.5 | 255.65 | 150 | 30 | 60 | 160 | 30 | 100 | ||
| 22 | 282.5 | 267.73 | 150 | 30 | 60 | 160 | 30 | 100 | ||
| 23 | 294.5 | 279.80 | 150 | 30 | 60 | 160 | 30 | 100 | ||
| 24 | 307.0 | 291.88 | 150 | 30 | 60 | 160 | 30 | 100 | ||
| 25 | 319.0 | 304.00 | 150 | 30 | 60 | 17.70 | 160 | 30 | 100 | |
| 26 | 331.0 | 316.08 | 150 | 30 | 60 | 160 | 30 | 100 | ||
| 27 | 343.0 | 328.19 | 150 | 30 | 60 | 160 | 30 | 100 | ||
| 28 | 355.0 | 340.27 | 150 | 30 | 60 | 160 | 30 | 100 | ||
| 29 | 367.5 | 352.38 | 150 | 30 | 60 | 160 | 30 | 100 | ||
| 30 | 379.5 | 364.50 | 150 | 30 | 60 | 160 | 30 | 100 | ||
| 31 | 391.5 | 376.62 | 150 | 30 | 60 | 160 | 30 | 100 | ||
| 32 | 403.5 | 388.69 | 150 | 30 | 60 | 160 | 30 | 100 | ||
| 33 | 415.5 | 400.81 | 150 | 30 | 60 | 160 | 30 | 100 | ||
| 34 | 428.0 | 412.93 | 150 | 30 | 60 | 160 | 30 | 100 | ||
| 35 | 440.0 | 425.04 | 150 | 30 | 60 | 30.01 | 160 | 30 | 100 | |
| 36 | 452.0 | 437.16 | 150 | 30 | 60 | 160 | 30 | 100 | ||
| 37 | 464.0 | 449.27 | 150 | 30 | 60 | 160 | 30 | 100 | ||
| 38 | 476.5 | 461.39 | 150 | 30 | 60 | 160 | 30 | 100 | ||
| 39 | 488.5 | 473.50 | 150 | 30 | 60 | 160 | 30 | 100 | ||
| 40 | 501.5 | 485.62 | 150 | 30 | 60 | 160 | 30 | 100 | ||
| 42 | 525.5 | 509.85 | 150 | 30 | 60 | 180 | 30 | 100 | ||
| 45 | 562.0 | 546.20 | 150 | 30 | 60 | 180 | 30 | 100 | ||
| 48 | 598.5 | 582.55 | 150 | 30 | 60 | 180 | 30 | 100 | ||
| 50 | 622.5 | 606.78 | 150 | 30 | 60 | 180 | 30 | 100 | ||
| 54 | 671.0 | 655.25 | 150 | 30 | 60 | 180 | 30 | 110 | ||
| 57 | 707.5 | 691.63 | 150 | 30 | 60 | 180 | 30 | 110 | ||
| 60 | 745.0 | 727.97 | 150 | 30 | 60 | 180 | 30 | 110 | ||
| 76 | 939.0 | 921.98 | 150 | 30 | 60 | 200 | 30 | 120 | ||
Package display
1. Transparent bag

2. Plywood case

Carriage support
1. By land-Southeast Asia, Central Asia, Russia
2. By sea- whole world
3. By air- sample orders, light products.
Tip
For OEM (nonstandard) product, please send us your drawing if you want sprockets with press fit bronz bushing or knurl grip.
Cim npe nrov: Roller chain sprocket manafacturer 1045 steel




